耐震电接点压力表
- YXN-100(B)/ YXN-150(B)耐震电接点压力表是在电接点压力表基础上内部冲灌阻尼油和配套缓冲装置等措施。具有良好的耐震性能。适用于被测介质的压力有强烈脉冲变化或压力冲击和在工
- 咨询热线:
-
产品详情
YXN-100(B)/ YXN-150(B)耐震电接点压力表是在电接点压力表基础上内部冲灌阻尼油和配套缓冲装置等措施。具有良好的耐震性能。适用于被测介质的压力有强烈脉冲变化或压力冲击和在工艺中经常突然卸荷的场合,以及环境震动较大的场所。
YXC电接点压力表适用于测量对铜及铜合金无腐蚀、无爆炸危险、非结晶的各种液体、气体等介质的压力。仪表经与相应电气件(继电器或接触器)配套使用,可达到对被测压力系统实现预先设定的zui大或zui小压力值的双位自动控制和输出信号(报警)的目的。
磁助电接点压力表仪表具有测量控制功能,可任意设定上、下控制压力值,动作稳定可靠,在石油、化工、电站、冶金等工业企业及机电设备上广泛配套使用。
结构原理:
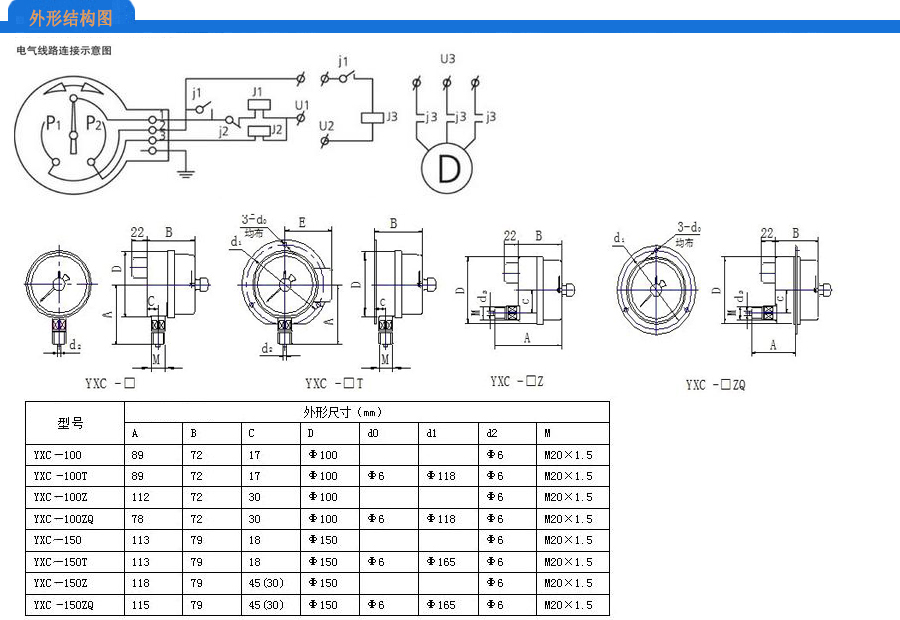
仪表由测量系统、指示装置、(普通型)磁助电接点装置、外壳、调节装置及接线盒等组成。当被测压力作用于弹簧管时,其末端产生相应的弹性变形—位移,经传动机构放大后,由指示装置在度盘上指示出来。同时指针带动电接点装置的活动触点与设定指针上的触头(上限或下限)相接触的瞬时,致使控制系统接通或断开电路,以达到自动控制和发信报警的目的。
磁助电接点装置的电接触信号针上,装有可调节的磁钢,可以增加接点吸力,加快接触动作,从而使触点接触可靠,消除电弧,能有效地避免仪表由于工作环境振动或介质压力脉动造成触点的频繁关断。
所以该仪表具有动作可靠、使用寿命长、触点开关功率较大等优点。为能适应被测对象的各异和需求,本系列仪表在原有普通型和专用型的基础上,又相继抗振型、耐蚀型、耐用蚀抗振型以及带有隔离装置等多种型号的产品(包含氨用、氧气、耐温、耐震等不同系列)。
技术参数:
电接点压力表选型表:
YXC电接点压力表适用于测量对铜及铜合金无腐蚀、无爆炸危险、非结晶的各种液体、气体等介质的压力。仪表经与相应电气件(继电器或接触器)配套使用,可达到对被测压力系统实现预先设定的zui大或zui小压力值的双位自动控制和输出信号(报警)的目的。
磁助电接点压力表仪表具有测量控制功能,可任意设定上、下控制压力值,动作稳定可靠,在石油、化工、电站、冶金等工业企业及机电设备上广泛配套使用。
结构原理:
仪表由测量系统、指示装置、(普通型)磁助电接点装置、外壳、调节装置及接线盒等组成。当被测压力作用于弹簧管时,其末端产生相应的弹性变形—位移,经传动机构放大后,由指示装置在度盘上指示出来。同时指针带动电接点装置的活动触点与设定指针上的触头(上限或下限)相接触的瞬时,致使控制系统接通或断开电路,以达到自动控制和发信报警的目的。
磁助电接点装置的电接触信号针上,装有可调节的磁钢,可以增加接点吸力,加快接触动作,从而使触点接触可靠,消除电弧,能有效地避免仪表由于工作环境振动或介质压力脉动造成触点的频繁关断。
所以该仪表具有动作可靠、使用寿命长、触点开关功率较大等优点。为能适应被测对象的各异和需求,本系列仪表在原有普通型和专用型的基础上,又相继抗振型、耐蚀型、耐用蚀抗振型以及带有隔离装置等多种型号的产品(包含氨用、氧气、耐温、耐震等不同系列)。
技术参数:
| 产品名称 | 产品型号 | 连接螺纹 | 精 度 | 测量范围(MPa) |
| 电接点压力表 | YX-60 | M14×1.5 | 2.5 | 0~0.6~2.5~40 |
| YX-100 | M20×1.5 | 1.6 | ||
| YX-150 | ||||
| 不锈钢电接点压力表 | YX-60B | |||
| YX-100B | ||||
| YX-150B | ||||
| 磁柱电接点压力表 | YXC-100 | |||
| YXC-150 | ||||
| 氧气电接点压力表 | YOX-100 | |||
| YOX-150 | ||||
| 氨用电接点压力表 | YAX-100 | |||
| YAX-150 | ||||
| 耐温电接点压力表 | YTWX-100 | |||
| YTWX-150 | ||||
| 耐震电接点压力表 | YTNX-100 | |||
| YTNX-150 | ||||
| 防爆电接点压力表 | YX-160-B | |||
| zui高工作电压 | DC220V或AC380V | |||
| 控制方式 | 上下限 | |||
| 执行标准 | JB/T9273-1999,JB/T6804-2006 | |||
| 备 注 | 如其它连接方式等特殊规格订货时请文字标明; | |||
电接点压力表选型表:
| YX | 电接点压力表 |
| C | 接点装置接点形式:磁助作用 |
| N | 耐震 |
| 代 码 | 表盘直径 |
|
60 100 150 |
ф60 ф100 ф150 |
| 代 码 | 仪表材质 |
|
无 B |
一般材质 材质不锈钢 |
| 代 码 | 仪表形式(可复选) |
|
Z T Q |
轴向(径向无需标注) 带边(不带边无需标注) 前边(后边无需标注) |
| 量程:0~□□□MPa(KPa) | |






